Ročni visokodvižni viličar 1500kg 1600mm
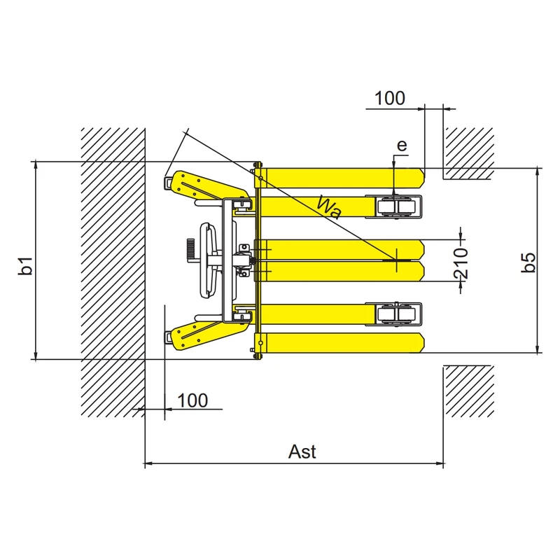
- nosilnost 1500kg
- višina dviga 1600mm
- premične vilice
- hitrost dviga približno 20 mm na pritisk pedala
- parkirne zavore na zadnjih kolesih
- jeklena konstrukcija
- za dvigovanje in prenašanje EU palet
- rezervni deli in servis








